Traction Elevator Machines
Geared & Gearless for Overhead and Basement.
CSA Approved
5-Year Warranty
In Stock in the U.S.
NEW: Select Haider Drive Models IN STOCK in the U.S! Contact for details: info@delcoelevator.com
Why Choose Haider Drive?
North American Compliance
CSA & ASME Certified.
Proven Performance
Installed & running across U.S & Canada
Competitive Prices
Best price on the market
5-Year Warranty
Giving you long-term peace of mind
10% OFF Stock Components
When ordered with Haider Drive.
Haider Drive Product Line
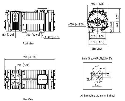
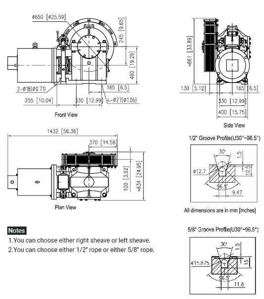
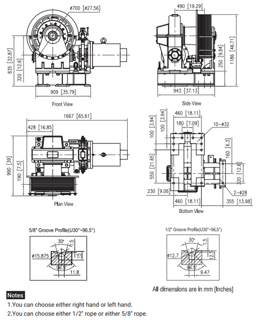
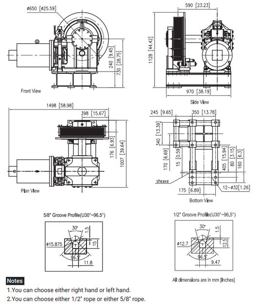
Eco Gearless
Pro Gearless
MRL
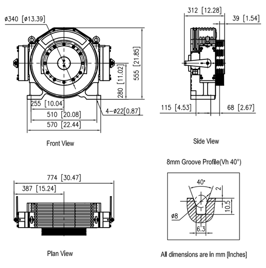
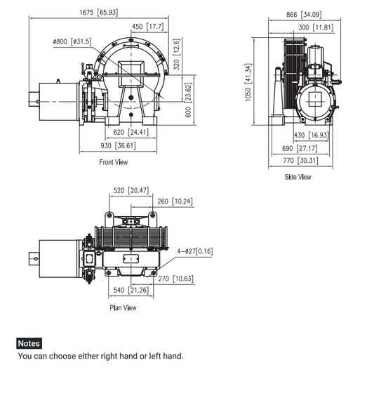
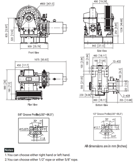
Overhead Geared
Basement
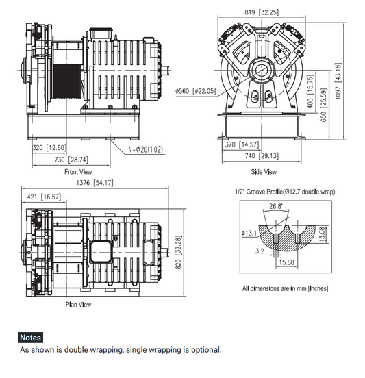
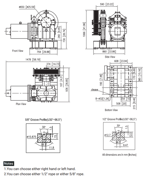
HGL Series (1:1 roping)
| Speed/ Capacity | 200 FPM | 350FPM | 500 FPM |
|---|---|---|---|
| 2500 | HGL292A-2520 | HGL292A-2535 | HGL292A-3050 |
| 3000 | HGL292A-3035 | HGL292A-3035 | HGL292A-3050 |
| 3500 | HGL292-3520 | HGL292-3535 | HGL292-3550 |
| 4500 | HGL320-4535-HV | HGL320-4535-HV |
HGL Series (2:1 roping)
| Speed/ Capacity | 500 FPM | 700 FPM |
|---|---|---|
| 5000 | HGL292A-5050 | HGL292A-5070 |
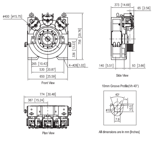
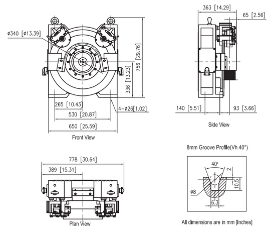
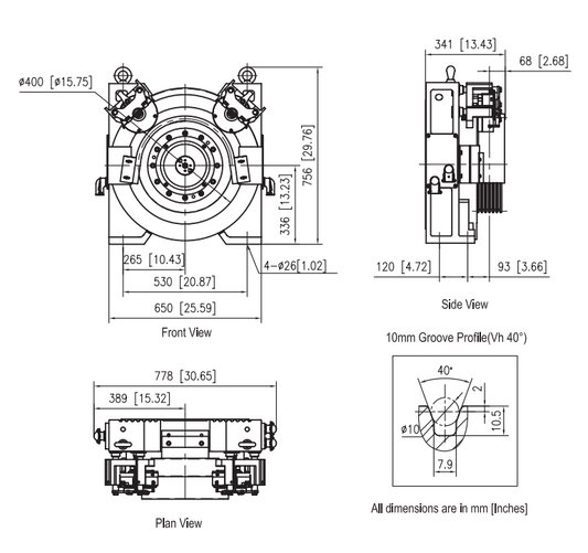
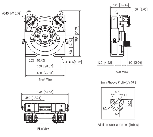
HGL Series - 8 mm rope (2:1 roping)
HGL Series - 10 mm rope (2:1 roping)
Geared Basement Machines (1:1 roping)
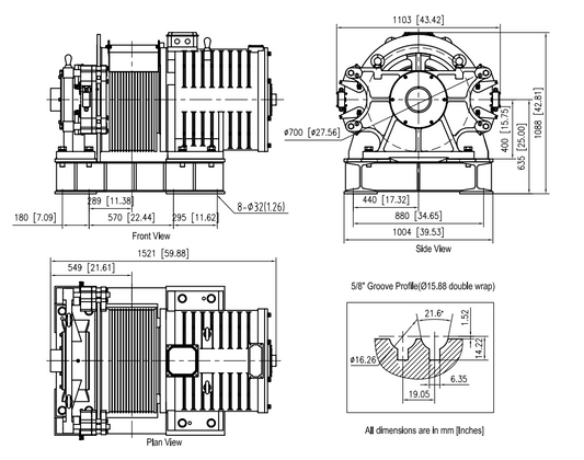
Gearless Basement Machines (1:1 roping)
| Speed/ Capacity | 200 FPM | 350 FPM | 500 FPM |
|---|---|---|---|
| 2500 | HGL292AB - 2520 | HGL292AB - 2535 | HGL292AB - 3050 |
| 3000 | HGL292AB - 3035 | HGL292AB - 3035 |
Gearless Basement Machines (2:1 roping)
| Speed/ Capacity | 500 FPM | 700 FPM |
|---|---|---|
| 5000 | HGL292AB-2-1-5050 | HGL292AB-2-1-5070 |
Job References
0+
Customers Per Year
HAIDER is a full line of CSA approved elevator machines for modernization & new construction
Why HAIDER?
High Quality Machines
Enjoy easy installation & reliable quality. The full line of HAIDER machines is CSA approved.
Affordability
Best price on the market.
Send us a quote request today to test!
Support
Our experienced team will guide you and will make the process easy for you.

































































